Opis
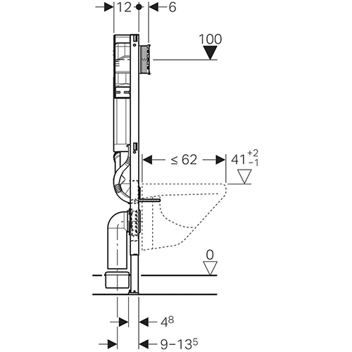
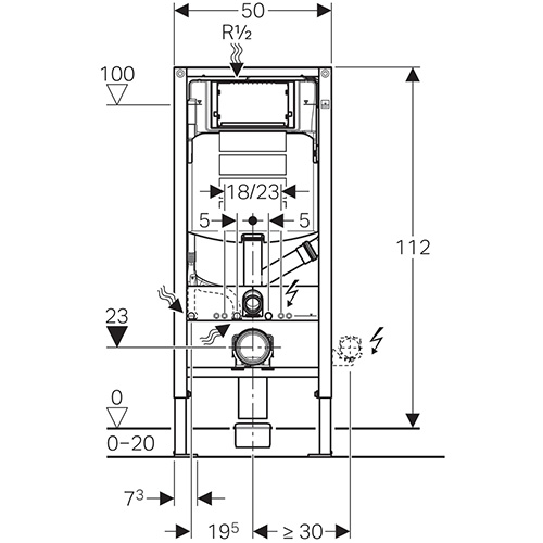
– Geberit Duofix sanitarni montažni element za konzolnu WC šolju sa ugradnim vodokotlićem Sigma (UP320), aktiviranje čeono, sa internim odzračivanjem, ugradna visina 112 cm
– Za univerzalnu ugradnju: obziđivanjem ili u suvomontažnu konstrukciju sa oblaganjem gipskartonskim pločama (18 ili 2 x 12,5 mm).
– ugradni vodokotlić Sigma (UP320) sa dvokoličinskom tehnikom ispiranja 3/6 l
Element sadrži:
– montažni čelični okvir 40/40, sa zaštinim premazom plave Geberit boje
– ugradni vodokotlić Sigma (UP320) izolovan od kondenzacije
– noge podesive po visini 0-20 cm za ugradnju u profil UW50 ili UW75
– 2 ugaone lajsne za učvršćenje na zid
– 2 šrafa sa maticama M12 koji nose konzolnu WC šolju (na razmaku 18 ili 23 cm)
– univerzalni priključak vode 1/2” VN, sa ugrađenim ugaonim ventilom
– građevinsku zaštitu otvora revizije, montaža bez uporabe alata
– zvučno izolovano učvršćenje odvoda
– PE zidno izlivno koleno Ø 90/90 mm po dubini podesivo na 6 različitih pozicija
– PE prelazni komad Ø 90/110 mm
– garnituru manžetni Ø 90 mm
– set zvučne izolacije
– cev za priključak tuš WC-a
– priključak za odvod mirisa kroz cev za ispiranje Ø 50 mm
– pričvrsni materijal



